


產品中心
Product Center -
酸堿儲罐
2025-05-15 15:46:20
產品詳情
簡介:
酸堿儲罐是存放酸、堿溶液的鋼制罐體。
1:鹽酸儲罐存儲介質為HCL,濃度一般在30%左右,鹽酸儲罐內部襯天然橡膠已達到防止鹽酸與儲罐殼體接觸的目的。
2:濃硫酸(98%以上)儲罐存儲的介質為98%的濃硫酸,濃硫酸具有強氧化性,會與等鋼材發生鈍化作用,形成一種致密性的鈍化膜(金屬氧化物薄膜),起到隔絕反應物的作用,保護膜內的介質不再與罐體產生化學反應,起到很好的儲存濃硫酸介質的作用。
3:稀硫酸是指溶質質量分數小于或等于70%的硫酸的水溶液,稀硫酸儲罐內部襯四氟乙烯或塑料已達到防止稀硫酸與儲罐殼體接觸的目的。
4:堿儲罐存儲介質為NaOH,由于NaOH與鋼材不發生化學反應所以內部防腐可以襯膠也可以不襯膠。
技術參數:
工作壓力:常壓
工作溫度:常溫
規格:2立方米-50立方米
設備照片:


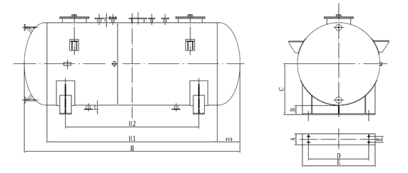
酸堿儲罐尺寸規格表:


遼寧一諾環境產業集團有限公司
地址:遼寧省北票市經濟技術開發區一諾環保產業園
電話:400-082-9898
手機:18842199977
給我們留言
掃一掃,關注我們
Copyright ? 2020 All Rights Reserved. 遼寧一諾環境產業集團有限公司版權所有 遼ICP備19012322號-3